Physical Dimensions

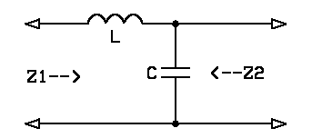
OD = .500 in / 12.7 mm +/- 0.02 in ID = .303 in / 7.70 mm +/- 0.02 in Ht = .190 in / 4.83 mm +/- 0.02 in | | AL=4.9 +/- 5 % uH=(AL*Turns2)/1000 | | Temperature Stability (ppm /°C) = 95 | | Color Code = Red / Clear | Optimum Resonant Circuit Range for highest Q and lowest core loss 250 KHz - 10 MHz | Orders and Pricing www.kitsandparts.com |
|
additional rf-impedance-matching-calculator |